產品檢驗

建築新技術、新工法、新設備及新材料認可通知書




不含石棉成份(CNS13970試驗)




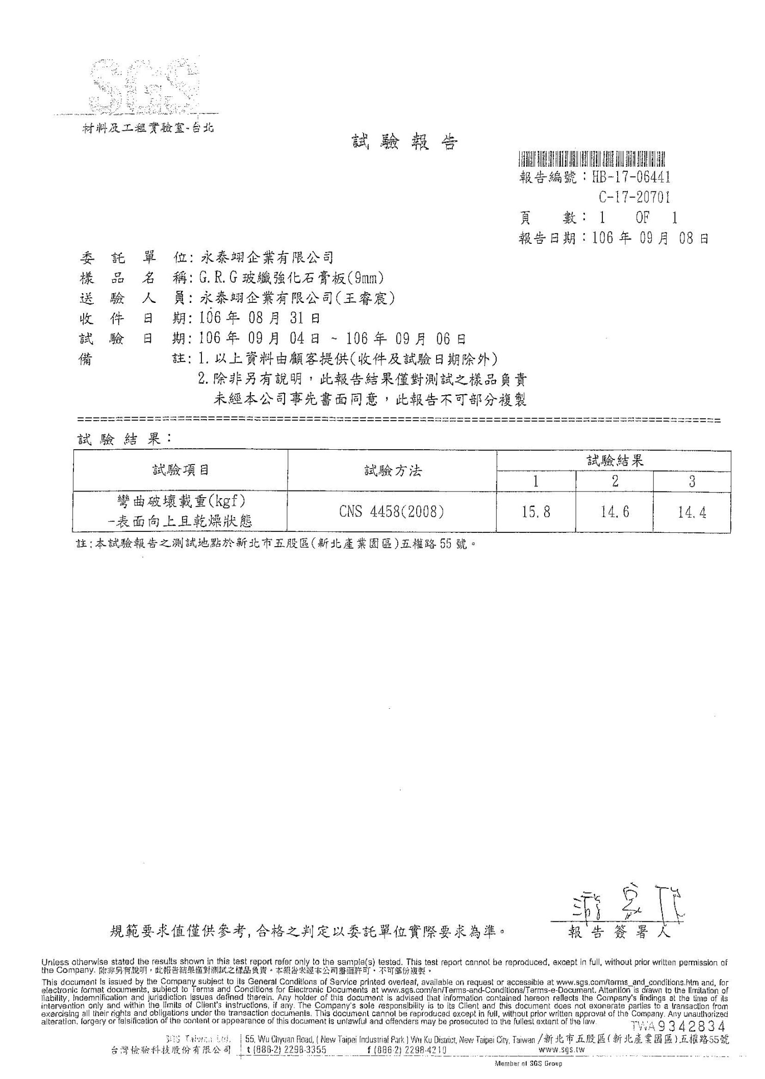
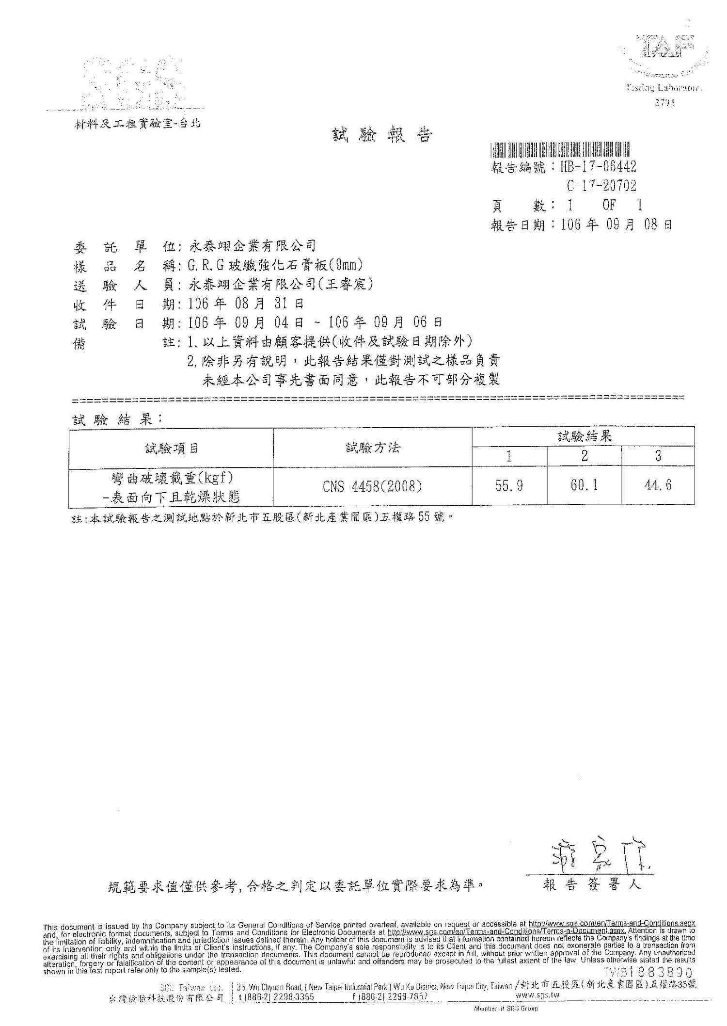
彎曲破壞載重,面向上13.5kgf,面向下40kgf (CNS4458試驗)


熱傳導率0.3W/(m‧K)(ASTM C518試驗)

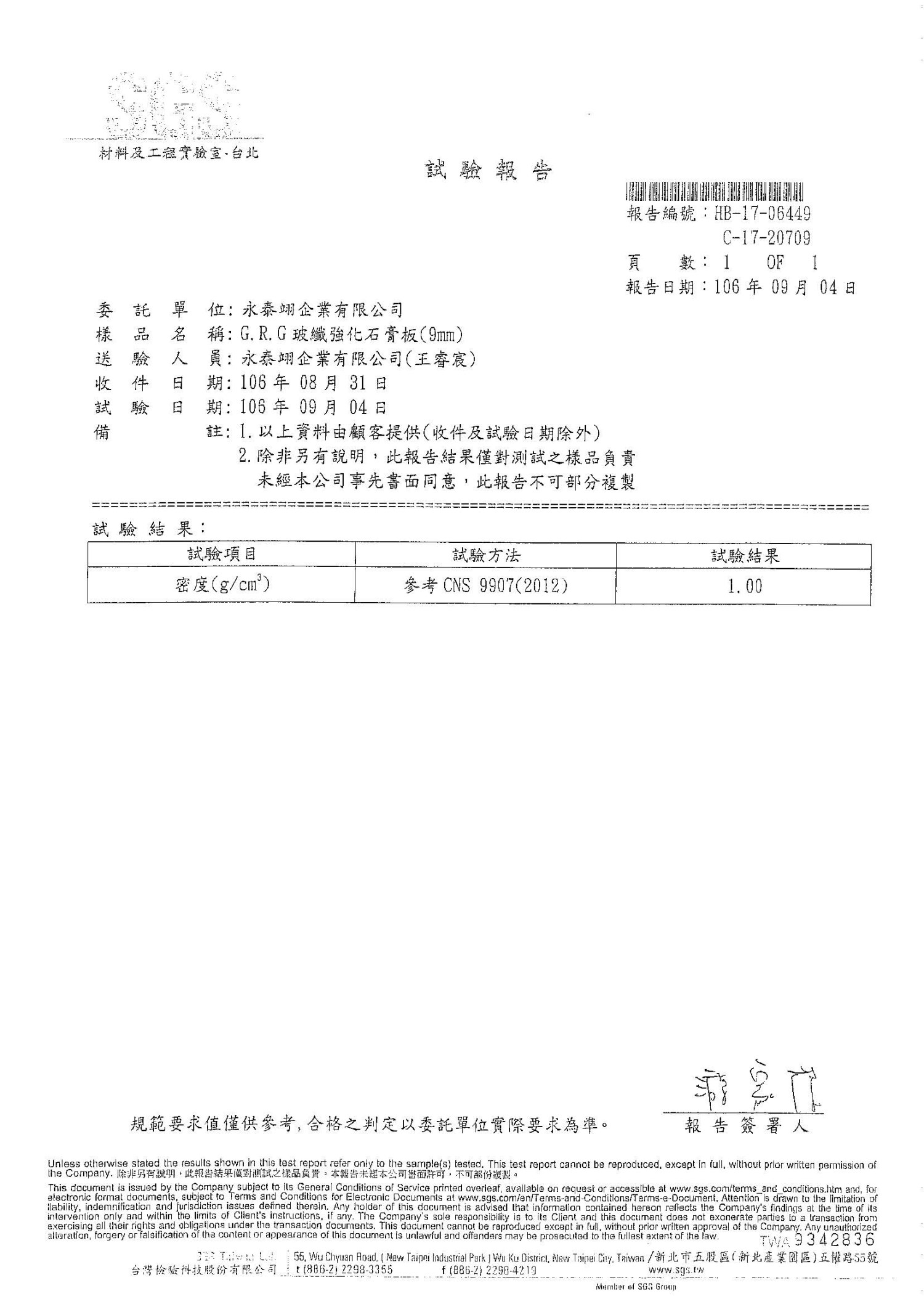
密度0.9g/m3 (CNS 9907試驗)


建築新技術、新工法、新設備及新材料認可通知書




不含石棉成份(CNS13970試驗)




彎曲破壞載重,面向上13.5kgf,面向下40kgf (CNS4458試驗)


熱傳導率0.3W/(m‧K)(ASTM C518試驗)

密度0.9g/m3 (CNS 9907試驗)
